We follow a state-of-the-art process
1-The Design Basis Memorandum drives clear alignment
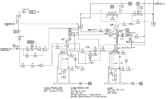
2-Front-End Engineering Design with 3D model and P&IDs enable adjustments
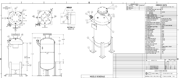
3-Detailed mechanical engineering with iso diagrams, equipment specifications, stress analysis, highlight safety and operational considerations and secure a sound construction phase
